產品介紹
三相臥式齒輪減速電機首選城邦精工!23年臺灣齒輪馬達制造經驗品質保證!臺灣,江蘇,東莞三地設廠為您打造高品質齒輪減速機,剎車馬達,剎車電機,減速電機;客服:400-8833-185.特點:動力足!散熱好!精度高!防粉塵防漏油效果好!已通過CCC,CE認證,國際品質認證!
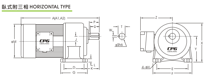
(一)下圖為標準型CH..S(B)臥式附三相鋁/鐵殼(剎車)齒輪減速馬達
詳細參數及選型參數:
(二)下圖為縮框輕載型CH..S(B)臥式附三相鋁/鐵殼(剎車)齒輪減速馬達
詳細參數及選型參數:
(提示:縮框輕載型扭力扭矩比標準型偏小,正常情況下不建議選用,請謹慎選擇!)

(提示:縮框輕載型扭力扭矩比標準型偏小,正常情況下不建議選用,請謹慎選擇!)
感謝您關注城邦三相臥式齒輪減速電機!
城邦減速電機和齒輪減速機特點如下:
·采用高品質全銅線圈,動力更足!
·鋁合金外殼重量更輕,散熱更好!
·齒輪、齒軸經精密滾齒加工,精度更高!
·采用瑞典SKF或同等級精密軸承,運轉更順暢!
·采用IP-55鋁制接線盒,防水性更好。
·采用高品質密封件和先進工藝,防粉塵防漏油效果更好!
更多關于城邦三相臥式齒輪減速電機圖片/選型/價格/及城邦三相臥式齒輪減速電機接線圖/維修保養/使用說明...等等方面的資訊,歡迎咨詢城邦電機國內客服專線:400-8833-185.熱情為您服務!
沒有了
下一個:三相臥式高速比齒輪減速電機
帶*項為必填項目咨詢:三相臥式齒輪減速電機
| * 聯系人: | 請填寫您的真實姓名 |
| * 手機號碼: | 請填寫您的真實手機 |
| E-mail: | |
| 公司名稱: | |
| 聯系地址: | |
| *訂購意向: | |
| * 驗證碼: | |



